

| · | 地 址: | 河南省巩义市西村工业区 |
| · | 电 话: | 0371-64011955 |
| · | 传 真: | 0371-64011655 |
| · | 邮 箱: | 1024679280@qq.com xkgd88@163.com gyht99@163com |
| · | 邮 编: | 451281 |
| · | 网 址: | http://www.xkgd.com |
![]() 用途:铰链波纹补偿器适用于角位移的补偿 型号:生产DN65-DN5000,压力级别0.1Mpa-2.5Mpa 连接方式:1、法兰连接 2、接管连接 产品角向补偿量:±4度-±9度 |
一、型号示例![]() |
|
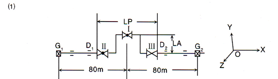
二、应用举例: 某热管安装温度:20℃,通径500,工作压力0.6MPa(6kgf/cm2),最低温度-10℃,碳钢管线膨胀系数a=13.2×10ˉ6/℃。 就如下管路安装形式设计计算: ![]() 1、确定位移量:△X=al△T=13.2×10ˉ6(80+80)×103×(120-(-10°))=275mm2、选用补偿器: 补偿器Ⅰ选用:0.6JY500×6J,θ0=±8°(额定位移2×8°) LⅠ=1.1m,KθⅠ=197N·m 补偿器Ⅱ、Ⅲ选用:0.6JY500×4,θ0=±5° LⅡ=LⅢ=0.9m,KθⅡ=KθⅢ=295N·m/度 ![]() 即LA(必须大于等于)≥997.69mm……(1) 一般Lp≥1.5DN×4+LⅠ+LⅡ+LⅢ……(2) (Lp为补偿段安装长度) 根据(1)式,取一定余量,将LA值向上圆整: LA=1200 (在安装跨距要求允许条件下,LA适当大一点好) 实际工作角位移 ![]() 3、考虑冷紧问题:为了改善管路受力状总况,设计安装时通常对补偿器进行冷紧。冷紧量按以下公式计算: ![]() 所以沿工作位移相反方向进行冷紧安装(冷紧量δ=74.04mm) 4、计算支座承受载荷:下面分析固定支座G1、G2和导向支架D1、D2的受力情况。 a、膨胀节变形力矩。 ![]() b、 G1点: D1点: Fy=Fz=0 Fx=Fy=Fz=0,Mx=My=0 Fx=-V=-1899N Mz=MⅡ=973.5N·m Mx=My=Mz=0 G2: Fx=V=1899N D2:Fx=Fy=Fz=0,Mx=My=0 Fy=Fz=0,Mx=My=Mz=0 Mz=-MⅡ=-973.5N·m 受力图: ![]() |